Solid End Mills

iMX_R4F
(Roughing head, 4 flute, with coolant hole)

IMX12R4F12012

Product Information

  • The roughing edge geometry reduces cutting resistance. Effective when rigidity of the machine or work piece is low.

The actual product may differ from the displayed image.
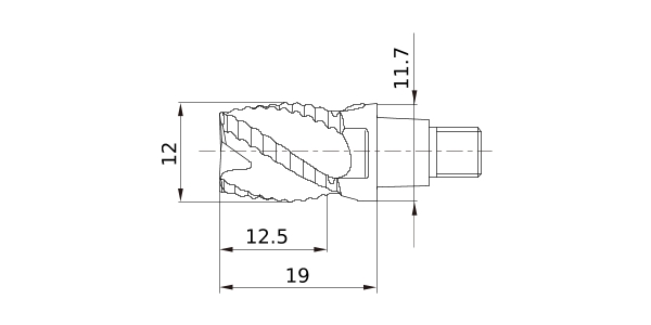
For details, please check the dimensions below.

Type   [Expand ]

Type   [Expand ]

Diameter (Unit)
Name of Grade Carbide
Grade EP7020
Stock
Unit of Length M
DC 12
DCON 11.7
LH 19
APMX 12.5
FHA 35°
Peripheral effective cutting edge count: ZEFP 4
2D Model (DXF)
CAD data name Download
IMX12R4F12012
CAD

3D Light Model (STP,STL)
CAD data name Download
IMX12R4F12012
CAD CAD

Stock

:Inventory maintained.
:Non stock, produced to order only.
:Inventory maintained. To be replaced by new products.
:Inventory maintained in Japan.

Return to TOP

This website uses cookies in order to improve your experience and keep your session. By clicking on the 'I understand and accept' button on this page you consent the usage of cookies and accept our Privacy Policy .