Solid End Mills

VFFDRB
(Duplex corner radius end mill, Short cut length, 4-6 flute)

VFFDRBD1000

Product Information

  • High feed rate possible due to the duplex corner radius geometry.
  • Multi-flutes enable high feed machining.

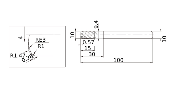
The actual product may differ from the displayed image.
For details, please check the dimensions below.

Type   [Expand ]

Type   [Expand ]

Diameter (Unit)
Stock
Unit of Length M
A3 15
DC 10
DCON 10
DCIN 4
DN 9.4
RMPX 1.7°
LF 100
LU 30
S10 0.28
APMX 0.57
FHA 40°
RE1 1.47
RE2 1
Peripheral effective cutting edge count: ZEFP 6
Max. Cutting EdgeDiameter Tolerance 0
Min. Cutting EdgeDiameter Tolerance -0.02
Coated VF
2D Model (DXF)
CAD data name Download
VFFDRBD1000
CAD

3D Light Model (STP,STL)
CAD data name Download
VFFDRBD1000
CAD CAD

Stock

:Inventory maintained.
:Non stock, produced to order only.
:Inventory maintained. To be replaced by new products.
:Inventory maintained in Japan.

Return to TOP

This website uses cookies in order to improve your experience and keep your session. By clicking on the 'I understand and accept' button on this page you consent the usage of cookies and accept our Privacy Policy .