iMX_C4HV
(Corner radius head, 4 flute, Irregular helix)

IMX20C4HV200R60020 EDP:10563229

Product Information

  • Vibration control corner radius type achieves stable machining of difficult-to-cut materials and is suitable for long overhang applications due to the irregular helix.
  • The fastening size of the holder and head should be the same.

Type   [Outspread ]

Type   [Outspread ]

Diameter (Unit)
Name of Grade Carbide
Grade EP7020
Sales unit 1
Stock
Unit of Length M
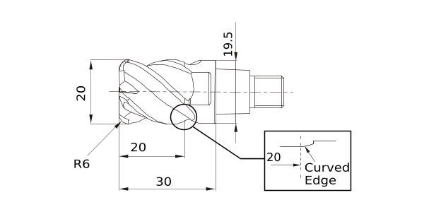
DC 20
DCON 19.5
LH 30
APMX 20
FHA 42°,45°
RE 6
Peripheral effective cutting edge count: ZEFP 4
R Tolerance - -0.02
R Tolerance + 0.02
Max. Cutting EdgeDiameter Tolerance 0
Min. Cutting EdgeDiameter Tolerance -0.03
2D Model (DXF)
CAD data name Download
IMX20C4HV200R60020
CAD

3D Light Model (STP,STL)
CAD data name Download
IMX20C4HV200R60020
CAD

Stock

:Inventory maintained.
:Non stock, produced to order only.
:Inventory maintained. To be replaced by new products.
:Inventory maintained in Japan.

Return to TOP