MFE
(Solid Carbide Flat Bottom Drills)

MFE1550X02S160 EDP:10565636

Product Information

  • High efficiency drilling in various types of machining.

Type   [Outspread ]

Type   [Outspread ]

Diameter (Unit)
Name of Grade Carbide
Grade DP1020
Sales unit 1
Stock
Unit of Length M
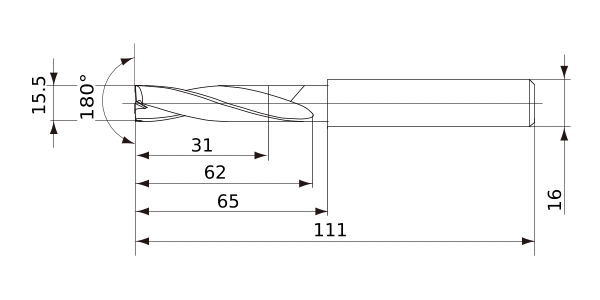
DC 15.5
DCON 16
SIG 180°
OAL 111
LH 65
LU 31
LCF 62
FHA 20°
ld 2
Effective Cutting Edge 2
Max. Cutting EdgeDiameter Tolerance 0
Min. Cutting EdgeDiameter Tolerance -0.018
Type of Coolant External
2D Model (DXF)
CAD data name Download
MFE1550X02S160
CAD

3D Light Model (STP,STL)
CAD data name Download
MFE1550X02S160
CAD

Stock

:Inventory maintained.
:Non stock, produced to order only.
:Inventory maintained. To be replaced by new products.
:Inventory maintained in Japan.

Return to TOP