MPXLRB
(Corner radius, Short cut length, Long neck)

MPXLRBD0300R030N360 EDP:10570401

Product Information

  • Suitable for high precision and high efficient machining of die & mold.

Type   [Outspread ]

Type   [Outspread ]

Diameter (Unit)
Sales unit 1
Unit of Length M
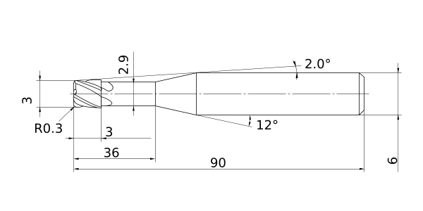
DC 3
DCON 6
DN 2.9
B2 2.0°
BHTA2 12°
LF 90
LU 36
APMX 3
FHA 30°
RE 0.3
Peripheral effective cutting edge count: ZEFP 4
R Tolerance - -0.005
R Tolerance + 0.005
Max. Cutting EdgeDiameter Tolerance 0
Min. Cutting EdgeDiameter Tolerance -0.01
Coated MS+

Stock

:Inventory maintained.
:Non stock, produced to order only.
:Inventory maintained. To be replaced by new products.
:Inventory maintained in Japan.

Return to TOP