MZE_MZS
 

MZE0450SA EDP:162721

Product Information

  • Excellent chip disposal.
  • Helical through coolant hole enables high speed machining (MZS type).

Type   [Outspread ]

Type   [Outspread ]

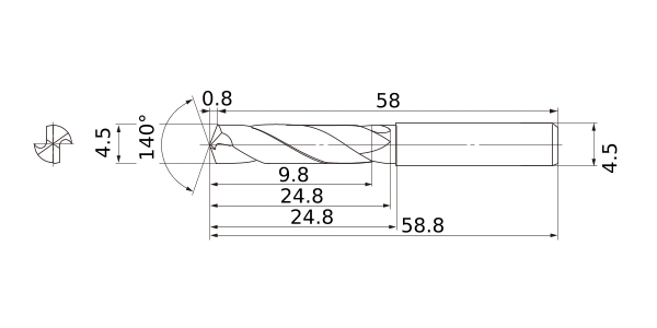
Diameter (Unit)
Name of Grade Carbide
Grade VP15TF
Sales unit 1
Stock
Unit of Length M
DC 4.5
DCON 4.5
SIG 140°
LF 58
OAL 58.8
LH 24.8
LU 9.8
LCF 24.8
FHA 30°
ld 2
PL 0.8
Effective Cutting Edge 2
Max. Cutting EdgeDiameter Tolerance 0
Min. Cutting EdgeDiameter Tolerance -0.018
Type of Coolant External
Classification of Grades
Non-coated・Carbide HTi10

Stock

:Inventory maintained.
:Non stock, produced to order only.
:Inventory maintained. To be replaced by new products.
:Inventory maintained in Japan.

Return to TOP