VQXL_INCH
(End mill, Short cut length, 4 flute, Long neck)

VQXLDU010N5D EDP:23686182

Product Information

  • SMART MIRACLE coating enhances efficiency due to an improved chip disposal.
  • Multi-cutter at a small diameter of Ø1.0 mm are realized.

Type   [Outspread ]

Type   [Outspread ]

Diameter (Unit)
Sales unit 1
Stock
Unit of Length I
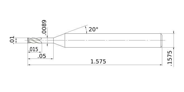
DC .01
DCON .1575
DN .0089
BHTA2 20°
LF 1.575
LU .05
APMX .015
FHA 35°
Peripheral effective cutting edge count: ZEFP 3
Max. Cutting EdgeDiameter Tolerance 0
Min. Cutting EdgeDiameter Tolerance -.0008
Coated VQ
2D Model (DXF)
CAD data name Download
VQXLDU010N5D
CAD

3D Light Model (STP,STL)
CAD data name Download
VQXLDU010N5D
CAD

Stock

:Inventory maintained.
:Non stock, produced to order only.
:Inventory maintained. To be replaced by new products.
:Inventory maintained in Japan.

Return to TOP