MSE
 

MSE0044SB EDP:350123

Product Information

  • Wide flute for preventing chip jamming.
  • Stable, small diameter machining.

Type   [Outspread ]

Type   [Outspread ]

Diameter (Unit)
Name of Grade Carbide
Grade VP15TF
Sales unit 1
Stock
Unit of Length M
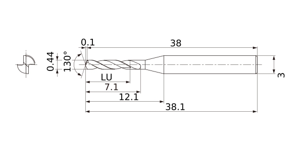
DC 0.44
DCON 3
SIG 130°
LF 38
OAL 38.1
LH 12.1
LCF 7.1
FHA 30°
PL 0.1
Effective Cutting Edge 2
Max. Cutting EdgeDiameter Tolerance 0
Min. Cutting EdgeDiameter Tolerance -0.009
Type of Coolant External
2D Model (DXF)
CAD data name Download
MSE0044SB
CAD

3D Light Model (STP,STL)
CAD data name Download
MSE0044SB
CAD

Stock

:Inventory maintained.
:Non stock, produced to order only.
:Inventory maintained. To be replaced by new products.
:Inventory maintained in Japan.

Return to TOP