MWS
(WSTAR)

MWS0095XB EDP:411782

Product Information

  • For high accuracy and efficient drilling of steels, carbon steels and difficult-to-cut materials.

Type   [Outspread ]

Type   [Outspread ]

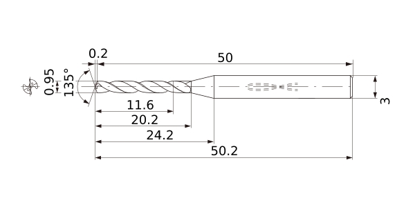
Diameter (Unit)
Name of Grade Carbide
Grade VP15TF
Sales unit 1
Stock
Unit of Length M
DC 0.95
DCON 3
SIG 135°
LF 50
OAL 50.2
LH 24.2
LU 11.6
LCF 20.2
FHA 25°
ld 12
PL 0.2
Effective Cutting Edge 2
Max. Cutting EdgeDiameter Tolerance 0
Min. Cutting EdgeDiameter Tolerance -0.009
Type of Coolant Internal
2D Model (DXF)
CAD data name Download
MWS0095XB
CAD

3D Light Model (STP,STL)
CAD data name Download
MWS0095XB
CAD

Stock

:Inventory maintained.
:Non stock, produced to order only.
:Inventory maintained. To be replaced by new products.
:Inventory maintained in Japan.

Return to TOP