MWS
(WSTAR)

MWS0095SB EDP:460269

Product Information

  • For high accuracy and efficient drilling of steels, carbon steels and difficult-to-cut materials.

Type   [Outspread ]

Type   [Outspread ]

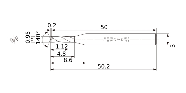
Diameter (Unit)
Name of Grade Carbide
Grade VP15TF
Sales unit 1
Stock
Unit of Length M
DC 0.95
DCON 3
SIG 140°
LF 50
OAL 50.2
LH 8.6
LU 1.12
LCF 4.8
FHA 25°
ld 1
PL 0.2
Effective Cutting Edge 2
Max. Cutting EdgeDiameter Tolerance 0.009
Min. Cutting EdgeDiameter Tolerance 0
Type of Coolant Internal
2D Model (DXF)
CAD data name Download
MWS0095SB
CAD

3D Light Model (STP,STL)
CAD data name Download
MWS0095SB
CAD

Stock

:Inventory maintained.
:Non stock, produced to order only.
:Inventory maintained. To be replaced by new products.
:Inventory maintained in Japan.

Return to TOP