MWS
(WSTAR)

MWS0210X20DB EDP:474361

Product Information

  • For high accuracy and efficient drilling of steels, carbon steels and difficult-to-cut materials.

Type   [Outspread ]

Type   [Outspread ]

Diameter (Unit)
Name of Grade Carbide
Grade VP15TF
Sales unit 1
Stock
Unit of Length M
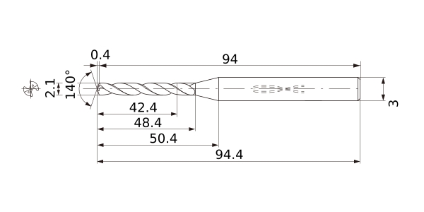
DC 2.1
DCON 3
SIG 140°
LF 94
OAL 94.4
LH 50.4
LU 42.4
LCF 48.4
FHA 30°
ld 20
PL 0.4
Effective Cutting Edge 2
Max. Cutting EdgeDiameter Tolerance 0
Min. Cutting EdgeDiameter Tolerance -0.014
Type of Coolant Internal
2D Model (DXF)
CAD data name Download
MWS0210X20DB
CAD

3D Light Model (STP,STL)
CAD data name Download
MWS0210X20DB
CAD

Stock

:Inventory maintained.
:Non stock, produced to order only.
:Inventory maintained. To be replaced by new products.
:Inventory maintained in Japan.

Return to TOP