MWS
(WSTAR)

MWS0160X25DB EDP:474661

Product Information

  • For high accuracy and efficient drilling of steels, carbon steels and difficult-to-cut materials.

Type   [Outspread ]

Type   [Outspread ]

Diameter (Unit)
Name of Grade Carbide
Grade VP15TF
Sales unit 1
Stock
Unit of Length M
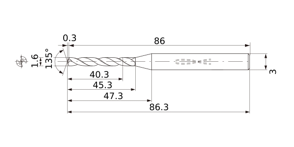
DC 1.6
DCON 3
SIG 135°
LF 86
OAL 86.3
LH 47.3
LU 40.3
LCF 45.3
FHA 30°
ld 25
PL 0.3
Effective Cutting Edge 2
Max. Cutting EdgeDiameter Tolerance 0
Min. Cutting EdgeDiameter Tolerance -0.014
Type of Coolant Internal
2D Model (DXF)
CAD data name Download
MWS0160X25DB
CAD

3D Light Model (STP,STL)
CAD data name Download
MWS0160X25DB
CAD

Stock

:Inventory maintained.
:Non stock, produced to order only.
:Inventory maintained. To be replaced by new products.
:Inventory maintained in Japan.

Return to TOP