ASX445_MM
(GENERAL CUTTING)

ASX445-250C24R EDP:490345

Product Information

  • Precise but inexpensive molded type 20° positive insert.
  • Screw-on type.
  • A wide range of chip breakers.
  • High rigidity due to employment of a carbide shim.

Type   [Outspread ]

Type   [Outspread ]

Diameter (Unit)
Sales unit 1
Hand R
Stock
Unit of Length M
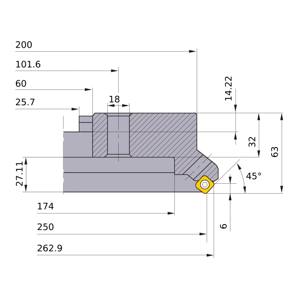
DC 250
DCX 262.9
DCON 60
DCSFMS 200
DAH 18
DCCB 174
KAPR 45°
L8 14.22
LF 63
CBDP 32
LCCB 27.11
KWW 25.7
APMX 6
GAMP +23°
GAMF -10°
WT 10.3
DBC 101.6
Peripheral effective cutting edge count: ZEFP 24
RPMX 8000
2D Model (DXF)
CAD data name Download
ASX445-250C24R
CAD

3D Detail Model (STP,STL)
CAD data name Download
ASX445-250C24R
CAD

3D Light Model (STP,STL)
CAD data name RE Download
ASX445-250C24R_MR1_5
1.5 CAD CAD

Stock

:Inventory maintained.
:Non stock, produced to order only.
:Inventory maintained. To be replaced by new products.
:Inventory maintained in Japan.

Return to TOP