AXD7000_INCH
(For Aluminum Alloy)

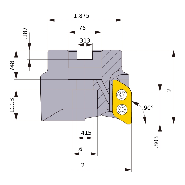
AXD7000UR0203B EDP:503177

Product Information

  • Excellent wall accuracy.
  • Multi functional milling.
  • Low resistance inserts.
  • High spindle speeds possible.

Type   [Outspread ]

Type   [Outspread ]

Diameter (Unit)
Sales unit 1
Hand R
Stock
Unit of Length I
DC 2
DCON .75
DCSFMS 1.875
DAH .415
DCCB .6
KAPR 90°
RMPX 8
L8 .187
LF 2
CBDP .748
KWW .313
APMX .803
GAMP +11°
GAMF +26°
WT 0.9
Peripheral effective cutting edge count: ZEFP 3
RPMX 30000
2D Model (DXF)
CAD data name Download
AXD7000UR0203B
CAD

3D Detail Model (STP,STL)
CAD data name Download
AXD7000UR0203B
CAD

3D Light Model (STP,STL)
CAD data name RE Download
AXD7000UR0203B_IR0_157
.157 CAD CAD
AXD7000UR0203B_IR0_197
.197 CAD CAD

Stock

:Inventory maintained.
:Non stock, produced to order only.
:Inventory maintained. To be replaced by new products.
:Inventory maintained in Japan.

Return to TOP