GYAR20K90A-F06 EDP:503361

Product Information

Type   [Outspread ]

Type   [Outspread ]

Diameter (Unit)
Sales unit 1
Hand R
Stock
Unit of Length I
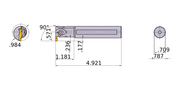
DMIN .984
DCON .787
LF 4.921
CDX .236
LDRED 1.181
WF .571
H .709
CW .118
WF2 .177
2D Model (DXF)
CAD data name Download
6E2R9F1
CAD

3D Detail Model (STP,STL)
CAD data name Download
GYAR20K90A-F06
CAD

Stock

:Inventory maintained.
:Non stock, produced to order only.
:Inventory maintained. To be replaced by new products.
:Inventory maintained in Japan.

Return to TOP