AHX640W
(HIGH FEED CUTTING FOR CAST IRON)

AHX640WL31544P EDP:505455

Product Information

  • Heptagonal double-sided insert.
  • Economical 14 corner use.
  • Fine pitch design allows high feed milling.

Type   [Outspread ]

Type   [Outspread ]

Diameter (Unit)
Sales unit 1
Hand L
Stock
Unit of Length M
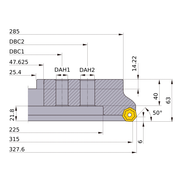
DC 315
DCX 327.6
DCON 47.625
DCSFMS 285
DAH 18
DCCB 225
KAPR 50°
L8 14.22
LF 63
CBDP 40
LCCB 21.8
KWW 25.4
APMX 6
GAMP -6°
GAMF -4°
WT 23.8
Peripheral effective cutting edge count: ZEFP 44
2D Model (DXF)
CAD data name Download
AHX640WL31544P
CAD

3D Detail Model (STP,STL)
CAD data name Download
AHX640WL31544P
CAD

3D Light Model (STP,STL)
CAD data name RE Download
AHX640WL31544P_MR0_8
0.8 CAD CAD

Stock

:Inventory maintained.
:Non stock, produced to order only.
:Inventory maintained. To be replaced by new products.
:Inventory maintained in Japan.

Return to TOP