AHX640W_MM
(HIGH FEED CUTTING FOR CAST IRON)

AHX640W-160C16L EDP:505551

Product Information

  • Heptagonal double-sided insert.
  • Economical 14 corner use.
  • Fine pitch design allows high feed milling.

Type   [Outspread ]

Type   [Outspread ]

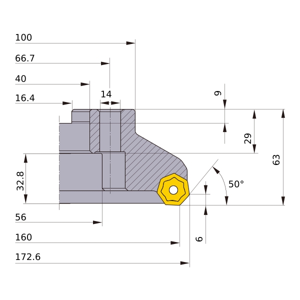
Diameter (Unit)
Sales unit 1
Hand L
Stock
Unit of Length M
DC 160
DCX 172.6
DCON 40
DCSFMS 100
DAH 14
DCCB 56
KAPR 50°
L8 9
LF 63
CBDP 29
LCCB 32.8
KWW 16.4
APMX 6
GAMP -6°
GAMF -4°
WT 5.6
DBC 66.7
Peripheral effective cutting edge count: ZEFP 16
2D Model (DXF)
CAD data name Download
AHX640W-160C16L
CAD

3D Detail Model (STP,STL)
CAD data name Download
AHX640W-160C16L
CAD

3D Light Model (STP,STL)
CAD data name RE Download
AHX640W-160C16L_MR0_8
0.8 CAD CAD

Stock

:Inventory maintained.
:Non stock, produced to order only.
:Inventory maintained. To be replaced by new products.
:Inventory maintained in Japan.

Return to TOP