AHX640W_MM
(HIGH FEED CUTTING FOR CAST IRON)

AHX640W-250C24L EDP:505578

Product Information

  • Heptagonal double-sided insert.
  • Economical 14 corner use.
  • Fine pitch design allows high feed milling.

Type   [Outspread ]

Type   [Outspread ]

Diameter (Unit)
Sales unit 1
Hand L
Stock
Unit of Length M
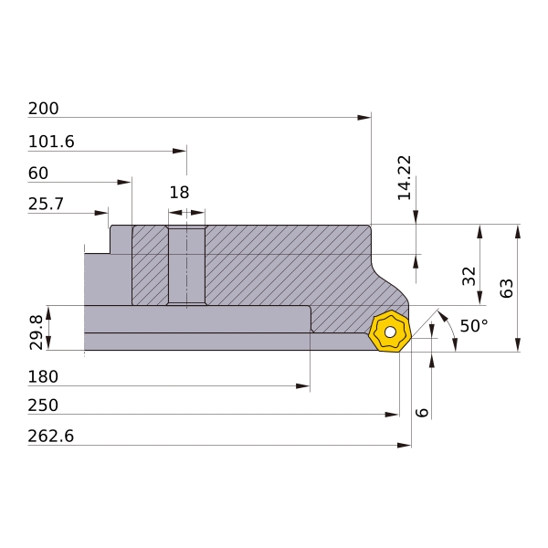
DC 250
DCX 262.6
DCON 60
DCSFMS 200
DAH 18
DCCB 180
KAPR 50°
L8 14.22
LF 63
CBDP 32
LCCB 29.8
KWW 25.7
APMX 6
GAMP -6°
GAMF -4°
WT 12.6
DBC 101.6
Peripheral effective cutting edge count: ZEFP 24
2D Model (DXF)
CAD data name Download
AHX640W-250C24L
CAD

3D Detail Model (STP,STL)
CAD data name Download
AHX640W-250C24L
CAD

3D Light Model (STP,STL)
CAD data name RE Download
AHX640W-250C24L_MR0_8
0.8 CAD CAD

Stock

:Inventory maintained.
:Non stock, produced to order only.
:Inventory maintained. To be replaced by new products.
:Inventory maintained in Japan.

Return to TOP