VFHVRB
(4 flute, Corner radius, Short cut length, Irregular helix flutes)

VFHVRBD1000R05N030 EDP:528420

Product Information

  • Impact Miracle corner radius end mill for high feed and efficient machining.

Type   [Outspread ]

Type   [Outspread ]

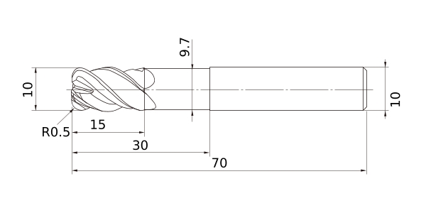
Diameter (Unit)
Sales unit 1
Stock
Unit of Length M
DC 10
DCON 10
DN 9.7
LF 70
LU 30
APMX 15
RE 0.5
Peripheral effective cutting edge count: ZEFP 4
R Tolerance - -0.007
R Tolerance + 0.007
Max. Cutting EdgeDiameter Tolerance 0
Min. Cutting EdgeDiameter Tolerance -0.02
Coated VF
2D Model (DXF)
CAD data name Download
VFHVRBD1000R05N030
CAD

3D Light Model (STP,STL)
CAD data name Download
VFHVRBD1000R05N030
CAD

Stock

:Inventory maintained.
:Non stock, produced to order only.
:Inventory maintained. To be replaced by new products.
:Inventory maintained in Japan.

Return to TOP