VFHVRB
(4 flute, Corner radius, Short cut length, Irregular helix flutes)

VFHVRBD1600R30N120 EDP:545916

Product Information

  • Impact Miracle corner radius end mill for high feed and efficient machining.

Type   [Outspread ]

Type   [Outspread ]

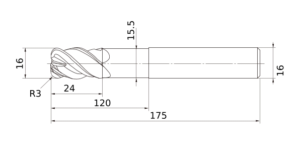
Diameter (Unit)
Sales unit 1
Stock
Unit of Length M
DC 16
DCON 16
DN 15.5
LF 175
LU 120
APMX 24
RE 3
Peripheral effective cutting edge count: ZEFP 4
R Tolerance - -0.01
R Tolerance + 0.01
Max. Cutting EdgeDiameter Tolerance 0
Min. Cutting EdgeDiameter Tolerance -0.03
Coated VF
2D Model (DXF)
CAD data name Download
VFHVRBD1600R30N120
CAD

3D Light Model (STP,STL)
CAD data name Download
VFHVRBD1600R30N120
CAD

Stock

:Inventory maintained.
:Non stock, produced to order only.
:Inventory maintained. To be replaced by new products.
:Inventory maintained in Japan.

Return to TOP