MWS
(WSTAR)

MWS0170LB EDP:576721

Product Information

  • For high accuracy and efficient drilling of steels, carbon steels and difficult-to-cut materials.

Type   [Outspread ]

Type   [Outspread ]

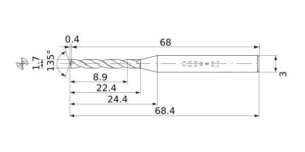
Diameter (Unit)
Name of Grade Carbide
Grade VP15TF
Sales unit 1
Stock
Unit of Length M
DC 1.7
DCON 3
SIG 135°
LF 68
OAL 68.4
LH 24.4
LU 8.9
LCF 22.4
FHA 30°
ld 5
PL 0.4
Effective Cutting Edge 2
Max. Cutting EdgeDiameter Tolerance 0
Min. Cutting EdgeDiameter Tolerance -0.014
Type of Coolant Internal
2D Model (DXF)
CAD data name Download
MWS0170LB
CAD

3D Light Model (STP,STL)
CAD data name Download
MWS0170LB
CAD

Stock

:Inventory maintained.
:Non stock, produced to order only.
:Inventory maintained. To be replaced by new products.
:Inventory maintained in Japan.

Return to TOP