BRAZED TOOL HOLDERS
 51Type (Right Hand)

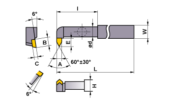
51 type

Order
Number
R/L Stock Dimensions (mm) Blank No.
P M K Shank Carbide
W H L d E l A B C R
51-1 R       13 13 140 12 8 50 5 8 3 05-1
51-2 R       16 16 160 15 10 60 6 10 4 05-2
51-3 R       19 19 190 18 12 80 7 12 5 05-3

Stock : Inventory maintained in Japan.