Drills >MSE >MSE0013SB

Drills

MSE
(MIRACLE MINI STAR DRILL)

MSE0013SB

Product Information

  • Wide flute for preventing chip jamming.
  • Stable, small diameter machining.

The actual product may differ from the displayed image.
For details, please check the dimensions below.

Type   [Expand ]

Type   [Expand ]

Diameter (Unit)
Name of Grade Carbide
Grade VP20MF
Stock
Unit of Length M
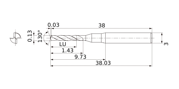
DC 0.13
DCON 3
SIG 130°
LF 38
OAL 38.03
LH 9.73
LCF 1.43
FHA 35°
PL 0.03
Effective Cutting Edge 2
Max. Cutting EdgeDiameter Tolerance 0
Min. Cutting EdgeDiameter Tolerance -0.009
Type of Coolant External
2D Model (DXF)
CAD data name Download
MSE0013SB
CAD

3D Light Model (STP,STL)
CAD data name Download
MSE0013SB
CAD

Stock

:Inventory maintained.
:Non stock, produced to order only.
:Inventory maintained. To be replaced by new products.
:Inventory maintained in Japan.

Return to TOP

This website uses cookies in order to improve your experience and keep your session. By clicking on the 'I understand and accept' button on this page you consent the usage of cookies and accept our Privacy Policy .