Drills >VAPDM >VAPDMD0105

Drills

VAPDM
(Medium, High precision)

VAPDMD0105

Product Information

  • Highly efficient drilling and long tool life have been achieved with the newly developed Violet coating. (Standard drill depth : less than 5 times the drill diameter)

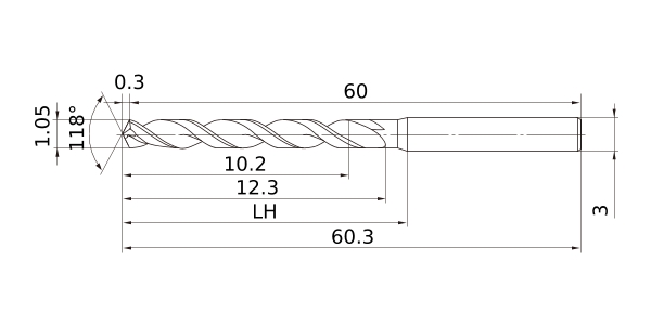
The actual product may differ from the displayed image.
For details, please check the dimensions below.

Type   [Expand ]

Type   [Expand ]

Diameter (Unit)
Stock
Unit of Length M
DC 1.05
DCON 3
SIG 118°
LF 60
OAL 60.3
LU 10.2
LCF 12.3
PL 0.3
Effective Cutting Edge 2
Max. Cutting EdgeDiameter Tolerance 0
Min. Cutting EdgeDiameter Tolerance -0.014
Type of Coolant External

Stock

:Inventory maintained.
:Non stock, produced to order only.
:Inventory maintained. To be replaced by new products.
:Inventory maintained in Japan.

Return to TOP

This website uses cookies in order to improve your experience and keep your session. By clicking on the 'I understand and accept' button on this page you consent the usage of cookies and accept our Privacy Policy .