Drills >MWS >MWS0050XB

Drills

MWS
(WSTAR)

MWS0050XB

Product Information

  • For high accuracy and efficient drilling of steels, carbon steels and difficult-to-cut materials.

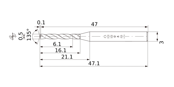
The actual product may differ from the displayed image.
For details, please check the dimensions below.

Type   [Expand ]

Type   [Expand ]

Diameter (Unit)
Name of Grade Carbide
Grade VP15TF
Stock
Unit of Length M
DC 0.5
DCON 3
SIG 135°
LF 47
OAL 47.1
LH 21.1
LU 6.1
LCF 16.1
FHA 25°
ld 12
PL 0.1
Effective Cutting Edge 2
Max. Cutting EdgeDiameter Tolerance 0
Min. Cutting EdgeDiameter Tolerance -0.009
Type of Coolant Internal
2D Model (DXF)
CAD data name Download
MWS0050XB
CAD

3D Light Model (STP,STL)
CAD data name Download
MWS0050XB
CAD

Stock

:Inventory maintained.
:Non stock, produced to order only.
:Inventory maintained. To be replaced by new products.
:Inventory maintained in Japan.

Return to TOP

This website uses cookies in order to improve your experience and keep your session. By clicking on the 'I understand and accept' button on this page you consent the usage of cookies and accept our Privacy Policy .