Drills >MPS1 >MPS1-0670L-DIN-C

Drills

MPS1
(Double margin type)

MPS1-0670L-DIN-C

Product Information

  • New accumulated AlTiCrN based PVD coating.
  • MPS double margin type for accurate and reliable drilling.
  • All drills with through coolant holes as standard.

The actual product may differ from the displayed image.
For details, please check the dimensions below.

Type   [Expand ]

Type   [Expand ]

Diameter (Unit)
Name of Grade Carbide
Grade DP1021
Stock
Unit of Length M
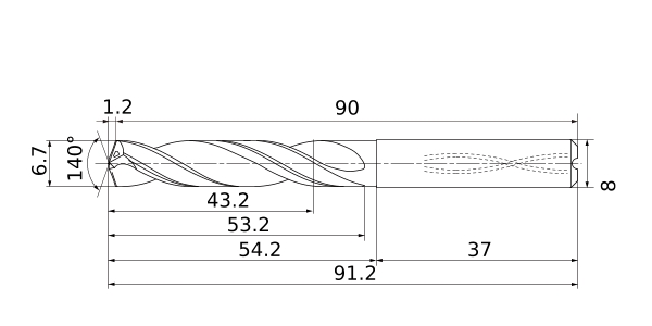
DC 6.7
DCON 8
SIG 140°
LF 90
OAL 91.2
LH 54.2
LU 43.2
LCF 53.2
LS 37
FHA 30°
ld 5
PL 1.2
Effective Cutting Edge 2
Max. Cutting EdgeDiameter Tolerance 0.01
Min. Cutting EdgeDiameter Tolerance -0.005
Type of Coolant Internal
2D Model (DXF)
CAD data name Download
MPS1-0670L-DIN-C
CAD

3D Light Model (STP,STL)
CAD data name Download
MPS1-0670L-DIN-C
CAD

Stock

:Inventory maintained.
:Non stock, produced to order only.
:Inventory maintained. To be replaced by new products.
:Inventory maintained in Japan.

Return to TOP

This website uses cookies in order to improve your experience and keep your session. By clicking on the 'I understand and accept' button on this page you consent the usage of cookies and accept our Privacy Policy .