Drills >MCCH >MCCH0955X02S100

Drills

MCCH
(Drill For Composites)

MCCH0955X02S100

Product Information

  • For Hand tool / CFRP

The actual product may differ from the displayed image.
For details, please check the dimensions below.

Type   [Expand ]

Type   [Expand ]

Diameter (Unit)
Name of Grade Carbide
Grade DT2030
Stock
Unit of Length M
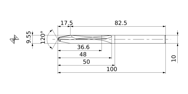
DC 9.55
DCON 10
SIG 120°
LF 82.5
OAL 100
LH 50
LU 36.6
LCF 48
FHA
ld 2
PL 17.5
Effective Cutting Edge 2
Max. Cutting EdgeDiameter Tolerance 0
Min. Cutting EdgeDiameter Tolerance -0.022
Type of Coolant External

Stock

:Inventory maintained.
:Non stock, produced to order only.
:Inventory maintained. To be replaced by new products.
:Inventory maintained in Japan.

Return to TOP

This website uses cookies in order to improve your experience and keep your session. By clicking on the 'I understand and accept' button on this page you consent the usage of cookies and accept our Privacy Policy .