Drills >MCAH >MCAH0638X05S070

Drills

MCAH
(Drill For Composites)

MCAH0638X05S070

Product Information

  • For Hand tool / CFRP + Al

The actual product may differ from the displayed image.
For details, please check the dimensions below.

Type   [Expand ]

Type   [Expand ]

Diameter (Unit)
Name of Grade Carbide
Grade DT2030
Stock
Unit of Length M
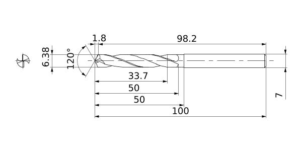
DC 6.38
DCON 7
SIG 120°
LF 98.2
OAL 100
LH 50
LU 33.7
LCF 50
FHA 20°
ld 5
PL 1.8
Effective Cutting Edge 2
Max. Cutting EdgeDiameter Tolerance 0
Min. Cutting EdgeDiameter Tolerance -0.022
Type of Coolant External

Stock

:Inventory maintained.
:Non stock, produced to order only.
:Inventory maintained. To be replaced by new products.
:Inventory maintained in Japan.

Return to TOP

This website uses cookies in order to improve your experience and keep your session. By clicking on the 'I understand and accept' button on this page you consent the usage of cookies and accept our Privacy Policy .