Indexable End Mills

PMR
 

PMR405003BR

Product Information

  • Unique shape of curved edge gives high rigidity and low resistance.
  • Anti Fly Insert mechanism
  • 2 directional cutting with large overhang.
  • 2 directional cutting with large overhang.
  • Tough body

The actual product may differ from the displayed image.
For details, please check the dimensions below.

Type   [Expand ]

Type   [Expand ]

Diameter (Unit)
Hand R
Stock
Unit of Length M
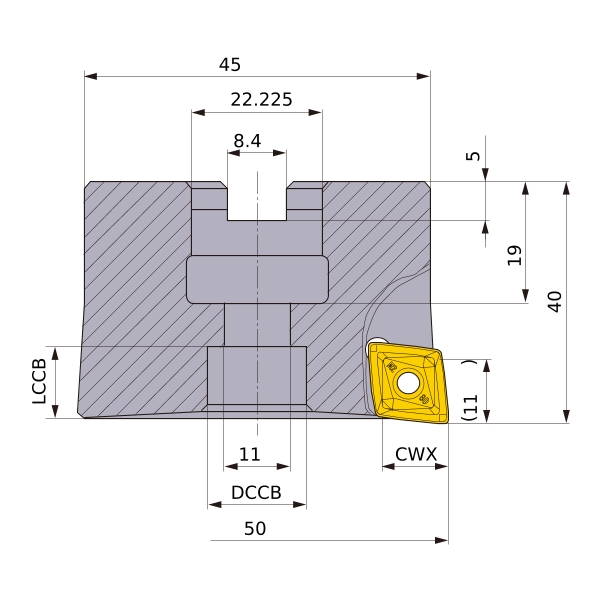
DC 50
DCON 22.225
DCSFMS 45
DAH 11
L8 5
LF 40
CBDP 19
KWW 8.4
APMX 11
GAMP +5°
GAMF -6°
Cutting item count: CICT 3
Peripheral effective cutting edge count: ZEFP 3
2D Model (DXF)
CAD data name Download
PMR405003BR
CAD

3D Detail Model (STP,STL)
CAD data name Download
PMR405003BR
CAD

3D Light Model (STP,STL)
CAD data name RE Download
PMR405003BR_MR0_8
0.8 CAD CAD
PMR405003BR_MR1_2
1.2 CAD CAD

Stock

:Inventory maintained.
:Non stock, produced to order only.
:Inventory maintained. To be replaced by new products.
:Inventory maintained in Japan.

Return to TOP

This website uses cookies in order to improve your experience and keep your session. By clicking on the 'I understand and accept' button on this page you consent the usage of cookies and accept our Privacy Policy .