Face Cutter >ASX445_MM >ASX445-160C16R

Face Cutter

ASX445_MM
(GENERAL CUTTING)

ASX445-160C16R

Product Information

  • Precise but inexpensive molded type 20° positive insert.
  • Screw-on type.
  • A wide range of chip breakers.
  • High rigidity due to employment of a carbide shim.

The actual product may differ from the displayed image.
For details, please check the dimensions below.

Type   [Expand ]

Type   [Expand ]

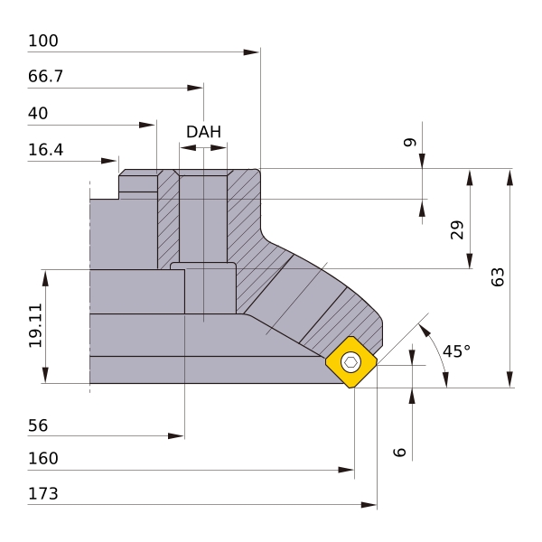
Diameter (Unit)
Hand R
Stock
Unit of Length M
DC 160
DCX 173
DCON 40
DCSFMS 100
DCCB 56
KAPR 45°
L8 9
LF 63
CBDP 29
LCCB 19.11
KWW 16.4
APMX 6
GAMP +23°
GAMF -10°
WT 3.6
DBC 66.7
Peripheral effective cutting edge count: ZEFP 16
RPMX 10000
2D Model (DXF)
CAD data name Download
ASX445-160C16R
CAD

3D Detail Model (STP,STL)
CAD data name Download
ASX445-160C16R
CAD

3D Light Model (STP,STL)
CAD data name RE Download
ASX445-160C16R_MR1_5
1.5 CAD CAD

Stock

:Inventory maintained.
:Non stock, produced to order only.
:Inventory maintained. To be replaced by new products.
:Inventory maintained in Japan.

Return to TOP

This website uses cookies in order to improve your experience and keep your session. By clicking on the 'I understand and accept' button on this page you consent the usage of cookies and accept our Privacy Policy .