Face Cutter >AHX640W_MM >AHX640W-160C16R

Face Cutter

AHX640W_MM
(HIGH FEED CUTTING FOR CAST IRON)

AHX640W-160C16R

Product Information

  • Heptagonal double-sided insert.
  • Economical 14 corner use.
  • Fine pitch design allows high feed milling.

The actual product may differ from the displayed image.
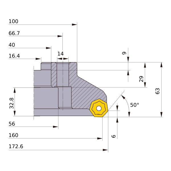
For details, please check the dimensions below.

Type   [Expand ]

Type   [Expand ]

Diameter (Unit)
Hand R
Stock
Unit of Length M
DC 160
DCX 172.6
DCON 40
DCSFMS 100
DAH 14
DCCB 56
KAPR 50°
L8 9
LF 63
CBDP 29
LCCB 32.8
KWW 16.4
APMX 6
GAMP -6°
GAMF -4°
WT 5.6
DBC 66.7
Peripheral effective cutting edge count: ZEFP 16
2D Model (DXF)
CAD data name Download
AHX640W-160C16R
CAD

3D Detail Model (STP,STL)
CAD data name Download
AHX640W-160C16R
CAD

3D Light Model (STP,STL)
CAD data name RE Download
AHX640W-160C16R_MR0_8
0.8 CAD CAD

Stock

:Inventory maintained.
:Non stock, produced to order only.
:Inventory maintained. To be replaced by new products.
:Inventory maintained in Japan.

Return to TOP

This website uses cookies in order to improve your experience and keep your session. By clicking on the 'I understand and accept' button on this page you consent the usage of cookies and accept our Privacy Policy .