Face Cutter >AHX640W_MM >AHX640W-200C20R

Face Cutter

AHX640W_MM
(HIGH FEED CUTTING FOR CAST IRON)

AHX640W-200C20R

Product Information

  • Heptagonal double-sided insert.
  • Economical 14 corner use.
  • Fine pitch design allows high feed milling.

The actual product may differ from the displayed image.
For details, please check the dimensions below.

Type   [Expand ]

Type   [Expand ]

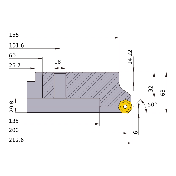
Diameter (Unit)
Hand R
Stock
Unit of Length M
DC 200
DCX 212.6
DCON 60
DCSFMS 155
DAH 18
DCCB 135
KAPR 50°
L8 14.22
LF 63
CBDP 32
LCCB 29.8
KWW 25.7
APMX 6
GAMP -6°
GAMF -4°
WT 8
DBC 101.6
Peripheral effective cutting edge count: ZEFP 20
2D Model (DXF)
CAD data name Download
AHX640W-200C20R
CAD

3D Detail Model (STP,STL)
CAD data name Download
AHX640W-200C20R
CAD

3D Light Model (STP,STL)
CAD data name RE Download
AHX640W-200C20R_MR0_8
0.8 CAD CAD

Stock

:Inventory maintained.
:Non stock, produced to order only.
:Inventory maintained. To be replaced by new products.
:Inventory maintained in Japan.

Return to TOP

This website uses cookies in order to improve your experience and keep your session. By clicking on the 'I understand and accept' button on this page you consent the usage of cookies and accept our Privacy Policy .