Face Cutter >WSX445_MM >WSX445-100B05AR

Face Cutter

WSX445_MM
(GENERAL CUTTING)

WSX445-100B05AR

Product Information

  • Double sided Z Geometry.
  • Smooth chip discharge.

The actual product may differ from the displayed image.
For details, please check the dimensions below.

Type   [Expand ]

Type   [Expand ]

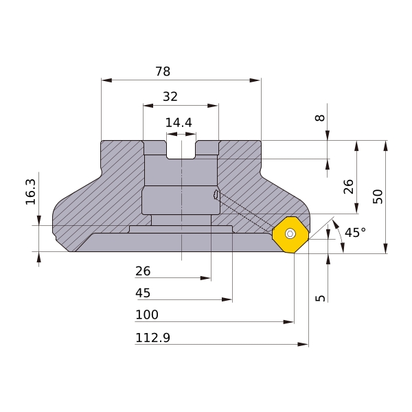
Diameter (Unit)
Hand R
Stock
Unit of Length M
DC 100
DCX 112.9
DCON 32
DCSFMS 78
DAH 26
DCCB 45
KAPR 45°
L8 8
LF 50
CBDP 26
LCCB 16.3
KWW 14.4
APMX 5
GAMP -6°
GAMF -10°
WT 1.93
Peripheral effective cutting edge count: ZEFP 5
2D Model (DXF)
CAD data name Download
WSX445-100B05AR
CAD

3D Detail Model (STP,STL)
CAD data name Download
WSX445-100B05AR
CAD

3D Light Model (STP,STL)
CAD data name RE Download
WSX445-100B05AR_MR1_2
1.2 CAD CAD

Stock

:Inventory maintained.
:Non stock, produced to order only.
:Inventory maintained. To be replaced by new products.
:Inventory maintained in Japan.

Return to TOP

This website uses cookies in order to improve your experience and keep your session. By clicking on the 'I understand and accept' button on this page you consent the usage of cookies and accept our Privacy Policy .