Face Cutter >WSX445_MM >WSX445-125B12AR

Face Cutter

WSX445_MM
(GENERAL CUTTING)

WSX445-125B12AR

Product Information

  • Double sided Z Geometry.
  • Smooth chip discharge.

The actual product may differ from the displayed image.
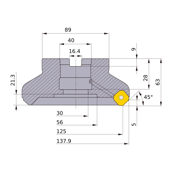
For details, please check the dimensions below.

Type   [Expand ]

Type   [Expand ]

Diameter (Unit)
Hand R
Stock
Unit of Length M
DC 125
DCX 137.9
DCON 40
DCSFMS 89
DAH 30
DCCB 56
KAPR 45°
L8 9
LF 63
CBDP 28
LCCB 21.3
KWW 16.4
APMX 5
GAMP -6°
GAMF -10°
WT 3.22
Peripheral effective cutting edge count: ZEFP 12
2D Model (DXF)
CAD data name Download
WSX445-125B12AR
CAD

3D Detail Model (STP,STL)
CAD data name Download
WSX445-125B12AR
CAD

3D Light Model (STP,STL)
CAD data name RE Download
WSX445-125B12AR_MR1_2
1.2 CAD CAD

Stock

:Inventory maintained.
:Non stock, produced to order only.
:Inventory maintained. To be replaced by new products.
:Inventory maintained in Japan.

Return to TOP

This website uses cookies in order to improve your experience and keep your session. By clicking on the 'I understand and accept' button on this page you consent the usage of cookies and accept our Privacy Policy .