Face Cutter >AHX440S_MM >AHX440S-080A06AR

Face Cutter

AHX440S_MM
(GENERAL CUTTING)

AHX440S-080A06AR

Product Information

  • Heptagonal double-sided insert.
  • Economical 14 corner use.
  • Fine pitch design allows high feed milling.

The actual product may differ from the displayed image.
For details, please check the dimensions below.

Type   [Expand ]

Type   [Expand ]

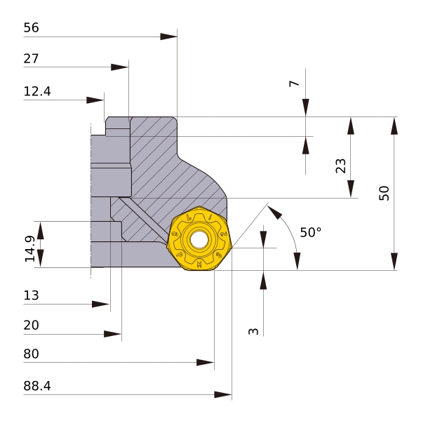
Diameter (Unit)
Hand R
Stock
Unit of Length M
DC 80
DCX 88.4
DCON 27
DCSFMS 56
DAH 13
DCCB 20
KAPR 50°
L8 7
LF 50
CBDP 23
LCCB 14.9
KWW 12.4
APMX 3
GAMP -6°
GAMF -7°
WT 1.1
Peripheral effective cutting edge count: ZEFP 6
2D Model (DXF)
CAD data name Download
AHX440S-080A06AR
CAD

3D Detail Model (STP,STL)
CAD data name Download
AHX440S-080A06AR
CAD

3D Light Model (STP,STL)
CAD data name RE Download
AHX440S-080A06AR_MR0_8
0.8 CAD CAD
AHX440S-080A06AR_MR3_2
3.2 CAD CAD

Stock

:Inventory maintained.
:Non stock, produced to order only.
:Inventory maintained. To be replaced by new products.
:Inventory maintained in Japan.

Return to TOP

This website uses cookies in order to improve your experience and keep your session. By clicking on the 'I understand and accept' button on this page you consent the usage of cookies and accept our Privacy Policy .