Face Cutter >AHX475S_MM >AHX475S-100A07AR

Face Cutter

AHX475S_MM
(GENERAL CUTTING)

AHX475S-100A07AR

Product Information

  • Heptagonal double-sided insert.
  • Economical 14 corner use.
  • Fine pitch design allows high feed milling.

The actual product may differ from the displayed image.
For details, please check the dimensions below.

Type   [Expand ]

Type   [Expand ]

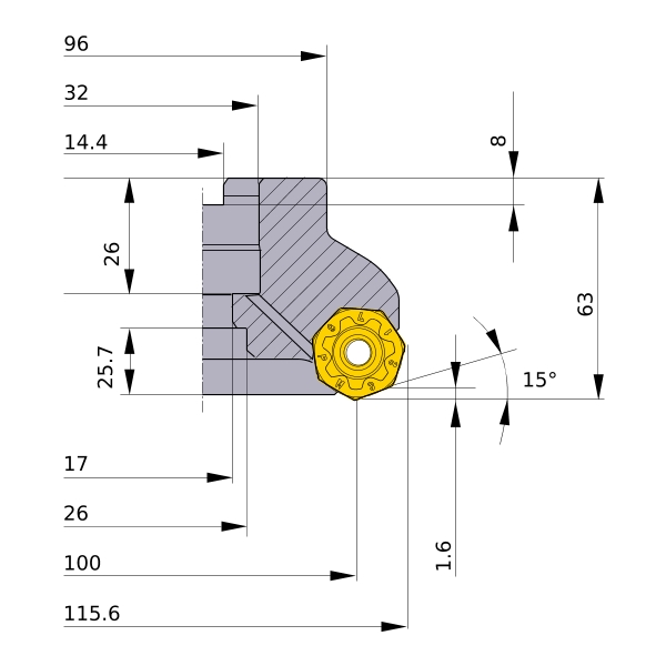
Diameter (Unit)
Hand R
Stock
Unit of Length M
DC 100
DCX 115.6
DCON 32
DCSFMS 96
DAH 17
DCCB 26
KAPR 15°
L8 8
LF 63
CBDP 26
LCCB 25.7
KWW 14.4
APMX 1.6
GAMP -6°
GAMF -10°
WT 3.3
Peripheral effective cutting edge count: ZEFP 7
2D Model (DXF)
CAD data name Download
AHX475S-100A07AR
CAD

3D Detail Model (STP,STL)
CAD data name Download
AHX475S-100A07AR
CAD

3D Light Model (STP,STL)
CAD data name RE Download
AHX475S-100A07AR_MR3_2
3.2 CAD CAD

Stock

:Inventory maintained.
:Non stock, produced to order only.
:Inventory maintained. To be replaced by new products.
:Inventory maintained in Japan.

Return to TOP

This website uses cookies in order to improve your experience and keep your session. By clicking on the 'I understand and accept' button on this page you consent the usage of cookies and accept our Privacy Policy .