Face Cutter >WJX14_MM >WJX14-063A04AR

Face Cutter

WJX14_MM
(Double-sided Insert Type High Feed Radius Milling Cutter)

WJX14-063A04AR

Product Information

  • Double sided Z Geometry.
  • Smooth chip discharge.
  • Excellent sharpness enables reduced cutting noise and provides long tool life
  • Suitable for high feed machining.
  • With through coolant holes.
  • Special insert design with 6 cutting edges.

The actual product may differ from the displayed image.
For details, please check the dimensions below.

Type   [Expand ]

Type   [Expand ]

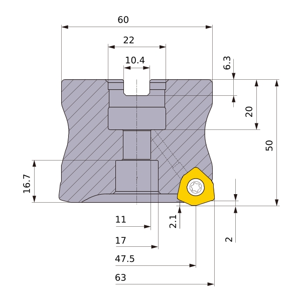
Diameter (Unit)
Hand R
Stock
Unit of Length M
AZ 2.1
DC 47.5
DCX 63
DCON 22
DCSFMS 60
DAH 11
DCCB 17
RMPX
L8 6.3
LF 50
CBDP 20
LCCB 16.7
KWW 10.4
APMX 2
GAMP -6°
GAMF -10°
WT 0.7
Cutting item count: CICT 4
Peripheral effective cutting edge count: ZEFP 4
RPMX 18200
2D Model (DXF)
CAD data name Download
WJX14-063A04AR
CAD

3D Detail Model (STP,STL)
CAD data name Download
WJX14-063A04AR
CAD

3D Light Model (STP,STL)
CAD data name RE Download
WJX14-063A04AR_MR1_5
1.5 CAD CAD

Stock

:Inventory maintained.
:Non stock, produced to order only.
:Inventory maintained. To be replaced by new products.
:Inventory maintained in Japan.

Return to TOP

This website uses cookies in order to improve your experience and keep your session. By clicking on the 'I understand and accept' button on this page you consent the usage of cookies and accept our Privacy Policy .