Face Cutter

FMAX_COMPACT
(HIGH FEED MILLING CUTTER FOR FINISHING)

FMAXR12520CLW

Product Information

  • For Compact and Smaller Machining Centers
  • Internal coolant and a special chip breaker wall (Body protector) provides ideal chip discharge performance.
  • Light Weight, High Rigidity Body
  • High precision, Easy setting

The actual product may differ from the displayed image.
For details, please check the dimensions below.

Type   [Expand ]

Type   [Expand ]

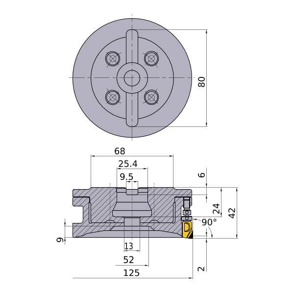
Diameter (Unit)
Hand R
Stock
Unit of Length M
DC 125
DCON 25.4
DCSFMS 68
DAH 13
DCCB 52
KAPR 90°
L8 6
LF 42
CBDP 24
LCCB 9
KWW 9.5
APMX 2
KWL 80
GAMP +5°
GAMF
WT 1.48
Peripheral effective cutting edge count: ZEFP 20
RPMX 19600
2D Model (DXF)
CAD data name Download
FMAXR12520CLW
CAD

3D Detail Model (STP,STL)
CAD data name Download
FMAXR12520CLW
CAD CAD

3D Light Model (STP,STL)
CAD data name RE Download
FMAXR12520CLW_MR0_1
0.1 CAD
FMAXR12520CLW_MR0_4
0.4 CAD
FMAXR12520CLW_MR0_8
0.8 CAD

Stock

:Inventory maintained.
:Non stock, produced to order only.
:Inventory maintained. To be replaced by new products.
:Inventory maintained in Japan.

Return to TOP

This website uses cookies in order to improve your experience and keep your session. By clicking on the 'I understand and accept' button on this page you consent the usage of cookies and accept our Privacy Policy .