Face Cutter >WWX200_MM >WWX200-125B14AR

Face Cutter

WWX200_MM
(90˚ FACE MILLING CUTTER)

WWX200-125B14AR

Product Information

  • The indexable inserts with 6 usable cutting edges offer lower cost per cutting edge
  • Innovative geometry generates low cutting forces.
  • reliable machining

The actual product may differ from the displayed image.
For details, please check the dimensions below.

Type   [Expand ]

Type   [Expand ]

Diameter (Unit)
Hand R
Stock
Unit of Length M
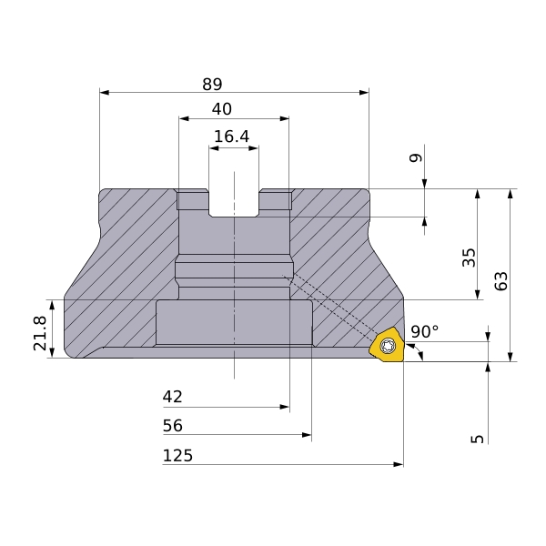
DC 125
DCON 40
DCSFMS 89
DAH 42
DCCB 56
KAPR 90°
L8 9
LF 63
CBDP 35
LCCB 21.8
KWW 16.4
APMX 5
GAMP -6°
GAMF -12°
WT 3
Cutting item count: CICT 14
Peripheral effective cutting edge count: ZEFP 14
RPMX 10100
2D Model (DXF)
CAD data name Download
WWX200-125B14AR
CAD

3D Detail Model (STP,STL)
CAD data name Download
WWX200-125B14AR
CAD

3D Light Model (STP,STL)
CAD data name RE Download
WWX200-125B14AR_MR0_4
0.4 CAD
WWX200-125B14AR_MR0_8
0.8 CAD

Stock

:Inventory maintained.
:Non stock, produced to order only.
:Inventory maintained. To be replaced by new products.
:Inventory maintained in Japan.

Return to TOP

This website uses cookies in order to improve your experience and keep your session. By clicking on the 'I understand and accept' button on this page you consent the usage of cookies and accept our Privacy Policy .