Solid End Mills >iMX_RC4F_C >IMX16RC4F160R10016C

Solid End Mills

iMX_RC4F_C
(Roughing head, 4 flute, with coolant hole)

IMX16RC4F160R10016C

Product Information

  • The roughing edge geometry reduces cutting resistance. Effective when rigidity of the machine or work piece is low.
  • Centre through coolant hole provides excellent chip evacuation.

The actual product may differ from the displayed image.
For details, please check the dimensions below.

Type   [Expand ]

Type   [Expand ]

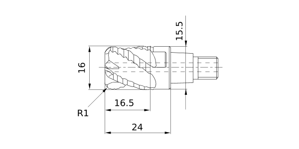
Diameter (Unit)
Name of Grade Carbide
Grade EP7020
Stock
Unit of Length M
DC 16
DCON 15.5
LH 24
APMX 16.5
FHA 35°
RE 1
Peripheral effective cutting edge count: ZEFP 4
Effective Cutting Edge 4
2D Model (DXF)
CAD data name Download
GTAFR1212-30
CAD

3D Detail Model (STP,STL)
CAD data name Download
GTAFR1212-30
CAD

3D Light Model (STP,STL)
CAD data name RE Download
GTAFR1212-30_CW1_45_MR0_05
0.05 CAD

Stock

:Inventory maintained.
:Non stock, produced to order only.
:Inventory maintained. To be replaced by new products.
:Inventory maintained in Japan.

Return to TOP

This website uses cookies in order to improve your experience and keep your session. By clicking on the 'I understand and accept' button on this page you consent the usage of cookies and accept our Privacy Policy .