Grooving GY Series

GYA_D90
(90° type holder)

6E2R9F1

Product Information

  • Highly reliable insert clamping
  • High accuracy, long life inserts for a wide variety of machining applications
  • Innovative Tri Lock System
  • Dimensions shown are when the gauge insert is used.

The actual product may differ from the displayed image.
For details, please check the dimensions below.

Type   [Expand ]

Type   [Expand ]

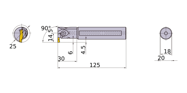
Diameter (Unit)
Hand R
Stock
Unit of Length M
DMIN 25
DCON 20
LF 125
CDX 6
LDRED 30
WF 14.5
H 18
HF 18
CW 3
WF2 4.5
Peripheral effective cutting edge count: ZEFP 1
Modular Holder GYAR20K90A-F06
2D Model (DXF)
CAD data name Download
6E2R9F1
CAD

3D Detail Model (STP,STL)
CAD data name Download
6E2R9F1
CAD

Stock

:Inventory maintained.
:Non stock, produced to order only.
:Inventory maintained. To be replaced by new products.
:Inventory maintained in Japan.

Return to TOP

This website uses cookies in order to improve your experience and keep your session. By clicking on the 'I understand and accept' button on this page you consent the usage of cookies and accept our Privacy Policy .