Grooving GY Series

GYA_D90
(90° type holder)

6G2R9H1

Product Information

  • Highly reliable insert clamping
  • High accuracy, long life inserts for a wide variety of machining applications
  • Innovative Tri Lock System
  • Dimensions shown are when the gauge insert is used.

The actual product may differ from the displayed image.
For details, please check the dimensions below.

Type   [Expand ]

Type   [Expand ]

Diameter (Unit)
Hand R
Stock
Unit of Length M
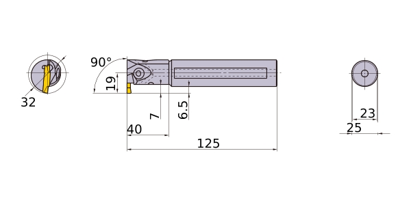
DMIN 32
DCON 25
LF 125
CDX 7
LDRED 40
WF 19
H 23
HF 23
CW 5
WF2 6.5
Peripheral effective cutting edge count: ZEFP 1
Modular Holder GYAR25K90B-H07
2D Model (DXF)
CAD data name Download
6G2R9H1
CAD

3D Detail Model (STP,STL)
CAD data name Download
6G2R9H1
CAD

Stock

:Inventory maintained.
:Non stock, produced to order only.
:Inventory maintained. To be replaced by new products.
:Inventory maintained in Japan.

Return to TOP

This website uses cookies in order to improve your experience and keep your session. By clicking on the 'I understand and accept' button on this page you consent the usage of cookies and accept our Privacy Policy .