Solid End Mills >CRN2XLRB >CRN2XLRBD0200R030N16

Solid End Mills

CRN2XLRB
(Corner radius end mill, Short cut length, 2 flute, For copper electrodes)

CRN2XLRBD0200R030N16

Product Information

  • 2 flute long neck corner radius end mill with CRN coating for copper electrode machining.

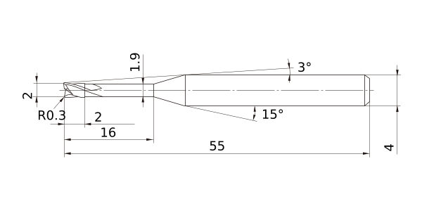
The actual product may differ from the displayed image.
For details, please check the dimensions below.

Type   [Expand ]

Type   [Expand ]

Diameter (Unit)
Stock
Unit of Length M
DC 2
DCON 4
DN 1.9
B2
BHTA2 15°
LF 55
LU 16
APMX 2
FHA 30°
RE 0.3
Peripheral effective cutting edge count: ZEFP 2
Max. Cutting EdgeDiameter Tolerance 0
Min. Cutting EdgeDiameter Tolerance -0.02
Coated CRN
2D Model (DXF)
CAD data name Download
CRN2XLRBD0200R030N16
CAD

3D Light Model (STP,STL)
CAD data name Download
CRN2XLRBD0200R030N16
CAD CAD

Stock

:Inventory maintained.
:Non stock, produced to order only.
:Inventory maintained. To be replaced by new products.
:Inventory maintained in Japan.

Return to TOP

This website uses cookies in order to improve your experience and keep your session. By clicking on the 'I understand and accept' button on this page you consent the usage of cookies and accept our Privacy Policy .