Solid End Mills >VF2XL >VF2XLD0030N010

Solid End Mills

VF2XL
(End mill, 2 flute, Long neck)

VF2XLD0030N010

Product Information

  • 2 flute long neck end mill for high-speed machining of hardened steels.

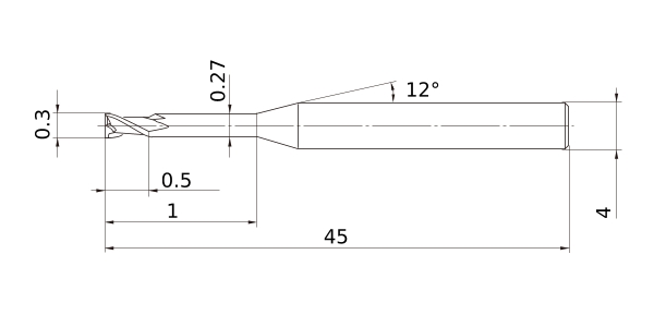
The actual product may differ from the displayed image.
For details, please check the dimensions below.

Type   [Expand ]

Type   [Expand ]

Diameter (Unit)
Stock
Unit of Length M
DC 0.3
DCON 4
DN 0.27
BHTA2 12°
LF 45
LU 1
APMX 0.5
FHA 30°
Peripheral effective cutting edge count: ZEFP 2
Coated VF
2D Model (DXF)
CAD data name Download
VF2XLD0030N010
CAD

3D Light Model (STP,STL)
CAD data name Download
VF2XLD0030N010
CAD CAD

Stock

:Inventory maintained.
:Non stock, produced to order only.
:Inventory maintained. To be replaced by new products.
:Inventory maintained in Japan.

Return to TOP

This website uses cookies in order to improve your experience and keep your session. By clicking on the 'I understand and accept' button on this page you consent the usage of cookies and accept our Privacy Policy .