Solid End Mills >DF2XLB >DF2XLBR0075N160

Solid End Mills

DF2XLB
(Ball nose, 2 flute, Long neck, For graphite)

DF2XLBR0075N160

Product Information

  • 2 flute long neck ball nose end mill with original diamond coating for graphite machining.

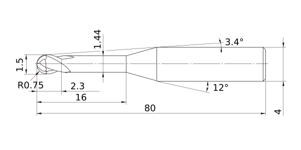
The actual product may differ from the displayed image.
For details, please check the dimensions below.

Type   [Expand ]

Type   [Expand ]

Diameter (Unit)
Stock
Unit of Length M
DC 1.5
DCON 4
DN 1.44
B2 3.4°
BHTA2 12°
LF 80
LU 16
APMX 2.3
FHA 30°
RE 0.75
Peripheral effective cutting edge count: ZEFP 2
R Tolerance - -0.01
R Tolerance + 0.01
Coated DF
2D Model (DXF)
CAD data name Download
DF2XLBR0075N160
CAD

3D Light Model (STP,STL)
CAD data name Download
DF2XLBR0075N160
CAD CAD

Stock

:Inventory maintained.
:Non stock, produced to order only.
:Inventory maintained. To be replaced by new products.
:Inventory maintained in Japan.

Return to TOP

This website uses cookies in order to improve your experience and keep your session. By clicking on the 'I understand and accept' button on this page you consent the usage of cookies and accept our Privacy Policy .