Solid End Mills >AM3SS >AM3SSD1200A100

Solid End Mills

AM3SS
(End mill, Short cut length, 3 flute, Relieved neck, Non centre cutting)

AM3SSD1200A100

Product Information

  • Optimum choice for high speed machining of aluminium.

The actual product may differ from the displayed image.
For details, please check the dimensions below.

Type   [Expand ]

Type   [Expand ]

Diameter (Unit)
Stock
Unit of Length M
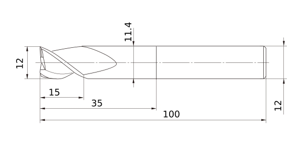
DC 12
DCON 12
DN 11.4
LF 100
LU 35
APMX 15
FHA 37.5°
Peripheral effective cutting edge count: ZEFP 3
Max. Cutting EdgeDiameter Tolerance -0.02
Min. Cutting EdgeDiameter Tolerance -0.047
2D Model (DXF)
CAD data name Download
AM3SSD1200A100
CAD

3D Light Model (STP,STL)
CAD data name Download
AM3SSD1200A100
CAD

Stock

:Inventory maintained.
:Non stock, produced to order only.
:Inventory maintained. To be replaced by new products.
:Inventory maintained in Japan.

Return to TOP

This website uses cookies in order to improve your experience and keep your session. By clicking on the 'I understand and accept' button on this page you consent the usage of cookies and accept our Privacy Policy .