Indexable End Mills

PMR
 

PMR406304A22R

Product Information

  • Unique shape of curved edge gives high rigidity and low resistance.
  • Anti Fly Insert mechanism
  • 2 directional cutting with large overhang.
  • 2 directional cutting with large overhang.
  • Tough body

The actual product may differ from the displayed image.
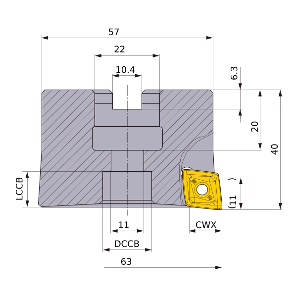
For details, please check the dimensions below.

Type   [Expand ]

Type   [Expand ]

Diameter (Unit)
Hand R
Stock
Unit of Length M
DC 63
DCON 22
DCSFMS 57
DAH 11
L8 6.3
LF 40
CBDP 20
KWW 10.4
APMX 11
GAMP +5°
GAMF -6°
Cutting item count: CICT 4
Peripheral effective cutting edge count: ZEFP 4

Stock

:Inventory maintained.
:Non stock, produced to order only.
:Inventory maintained. To be replaced by new products.
:Inventory maintained in Japan.

Return to TOP

This website uses cookies in order to improve your experience and keep your session. By clicking on the 'I understand and accept' button on this page you consent the usage of cookies and accept our Privacy Policy .