Solid End Mills >AM2SCRB >AM2SCRBD1000A075R030

Solid End Mills

AM2SCRB
(Corner radius end mill, Short cut length, 2 flute, Relieved neck)

AM2SCRBD1000A075R030

Product Information

  • High efficiency machining of aluminium alloy.

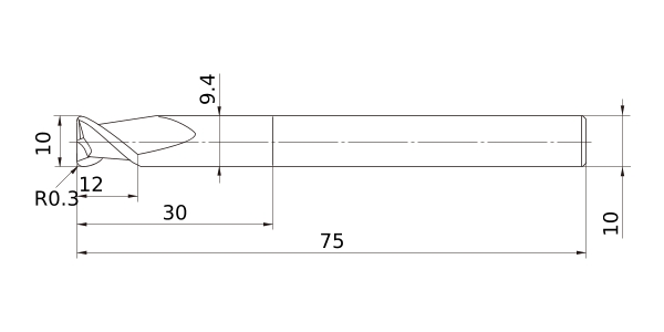
The actual product may differ from the displayed image.
For details, please check the dimensions below.

Type   [Expand ]

Type   [Expand ]

Diameter (Unit)
Stock
Unit of Length M
DC 10
DCON 10
DN 9.4
LF 75
LU 30
APMX 12
FHA 37.5°
RE 0.3
Peripheral effective cutting edge count: ZEFP 2
Max. Cutting EdgeDiameter Tolerance 0
Min. Cutting EdgeDiameter Tolerance -0.02
2D Model (DXF)
CAD data name Download
AM2SCRBD1000A075R030
CAD

3D Light Model (STP,STL)
CAD data name Download
AM2SCRBD1000A075R030
CAD

Stock

:Inventory maintained.
:Non stock, produced to order only.
:Inventory maintained. To be replaced by new products.
:Inventory maintained in Japan.

Return to TOP

This website uses cookies in order to improve your experience and keep your session. By clicking on the 'I understand and accept' button on this page you consent the usage of cookies and accept our Privacy Policy .