Solid End Mills >iMX_C4HV_S >IMX12C4HV120R20012S

Solid End Mills

iMX_C4HV_S
(Corner radius head, 4 flute, Irregular helix, with coolant hole)

IMX12C4HV120R20012S

Product Information

  • Coolant thru design allows for effective chip evacuation.
  • Vibration control corner radius type achieves stable machining of difficult-to-cut materials and is suitable for long overhang applications due to the irregular helix.

The actual product may differ from the displayed image.
For details, please check the dimensions below.

Type   [Expand ]

Type   [Expand ]

Diameter (Unit)
Name of Grade Carbide
Grade EP7020
Stock
Unit of Length M
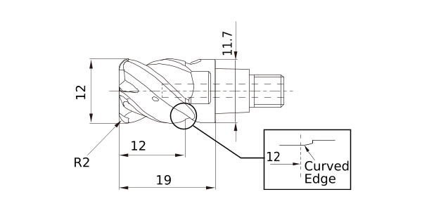
DC 12
DCON 11.7
LH 19
APMX 12
FHA 42°,45°
RE 2
Peripheral effective cutting edge count: ZEFP 4
R Tolerance - -0.02
R Tolerance + 0.02
Max. Cutting EdgeDiameter Tolerance 0
Min. Cutting EdgeDiameter Tolerance -0.02
2D Model (DXF)
CAD data name Download
IMX12C4HV120R20012S
CAD

3D Light Model (STP,STL)
CAD data name Download
IMX12C4HV120R20012S
CAD

Stock

:Inventory maintained.
:Non stock, produced to order only.
:Inventory maintained. To be replaced by new products.
:Inventory maintained in Japan.

Return to TOP

This website uses cookies in order to improve your experience and keep your session. By clicking on the 'I understand and accept' button on this page you consent the usage of cookies and accept our Privacy Policy .