Solid End Mills >iMX_C4FV >IMX25C4FV250R40026

Solid End Mills

iMX_C4FV
(Corner radius head for high efficiency machining, 4 flute, Irregular helix)

IMX25C4FV250R40026

Product Information

  • Corner radius end mill for high efficiency machining.
  • Irregular helix controls vibration and achieves stable machining.

The actual product may differ from the displayed image.
For details, please check the dimensions below.

Type   [Expand ]

Type   [Expand ]

Diameter (Unit)
Name of Grade Carbide
Grade EP6120
Stock
Unit of Length M
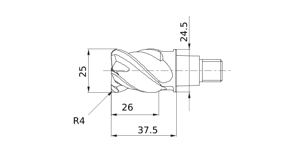
DC 25
DCON 24.5
LH 37.5
APMX 26
FHA 43°,45°
RE 4
Peripheral effective cutting edge count: ZEFP 4
R Tolerance - -0.02
R Tolerance + 0.02
Max. Cutting EdgeDiameter Tolerance 0
Min. Cutting EdgeDiameter Tolerance -0.03
2D Model (DXF)
CAD data name Download
IMX25C4FV250R40026
CAD

3D Light Model (STP,STL)
CAD data name Download
IMX25C4FV250R40026
CAD CAD

Stock

:Inventory maintained.
:Non stock, produced to order only.
:Inventory maintained. To be replaced by new products.
:Inventory maintained in Japan.

Return to TOP

This website uses cookies in order to improve your experience and keep your session. By clicking on the 'I understand and accept' button on this page you consent the usage of cookies and accept our Privacy Policy .